股票代码
836946

选择区域/语言 在线留言3D展厅VR全景 欢迎进入j9·九游会游戏网站官网!

j9·九游会游戏网站

专注筛分行业40+年超10000+客户的选择

全国咨询热线: 400-0373-685 / 0373-5701115

AG8九游会平台官网
  • 防爆脉冲除尘器
  • 防爆脉冲除尘器
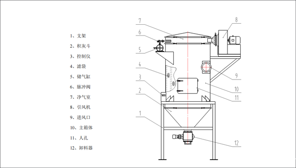
防爆脉冲除尘器

应用行业:BDMC系列防爆脉冲除尘器是我公司在消化吸收国内外先进技术的基础上,研制开发的新产品。除尘器采用脉冲喷吹的清灰方式,广泛应用于冶金、建材、机械、化工、矿山等各种工矿企业非纤维性工业粉尘的除尘净化与物料的回收。

全国热线

400-0373-685

产品优势
脉冲除尘器

● 微负压循环,无尘筛分。

● 具有清灰效果好、净化效率高、处理风量大、滤袋寿命长、维修工作量小。

● 运行安全可靠。

● 与其它筛机配套使用收集粉尘、杜绝物料浪费。

防爆性能
防爆标识及含义

产品的防爆性能符合GB 25286.1─2010 《爆炸性环境用非电气设备 第1部分:基本方法和要求》及GB 25286.5-2010 《爆炸性环境用非电气设备 第5部分:结构安全型“c”》要求制定。防爆标志为Ex c IIB T4 Gb,适用于21区/22区,存有可燃性气体的爆炸性场所。防爆标志为Ex c IIIB T4 Gb,适用于21区/22区,存有可燃性粉尘的爆炸性场所。

技术参数
型号 处理风量(m3/h) 过滤面积(m2) 过滤风速(m/min) 滤袋数量(条) 电机功率(kW) 配套电机
BDMC-6 1131~2356 1.6/5.76 1.00~1.50 6 1.1 YBFBX5-90S-2
BDMC-16 4012~7419 10.2/26.1 1.00~1.50 16 5.5 YBFBX5-132S1-2
BDMC-25 4012~7419 15.94/40.8 1.00~1.50 25 5.5 YBFBX5-132S1-2
BDMC-36 5712~10562 22.95/58.7 1.00~1.50 36 7.5 YBFBX5-132S2-2

客户见证

我们不仅仅服务于500强企业 ……无论您在何地,我们都提供完善的服务与支持。

高服实景

热品推荐 / Hot product

供料系统

供料系统

该系统完成从面粉至和面机的自动供粉工艺,实现源头的可视化,确保整体项目的自动化作业。无尘投料,环境粉尘浓度低,在线筛分,自动转运、动耗低,管道内“0”残留。
面粉无尘供料系统

面粉无尘供料系统

专用于原料接收、在线筛分、多点供料的系统化解决方案;适用于需要自动化生产、真正解决环保、安全问题的食品加工企业。
AG九游j9登陆网址

AG九游j9登陆网址

应用行业:BS49系列防爆旋振筛广泛应用于食品、药品、化工、磨料陶瓷、金属粉末、电池材料、造纸、冶金等行业,粉末、颗粒、粘液等物料。防爆要点:BS49系列防爆旋振筛是一种筛分设备,进出料口均应连接封闭的容器,容器防护等级不低于IP6*,使得物料不会逸散到外界。本设备所使用的非金属部件,其表面电阻不超过≤109Ω。
旋振筛

旋振筛

工作原理:旋振筛由立式振动电机作激振源,振动电机上、下两端安装有偏心重锤,将振动电机的旋转运动转变为水平、垂直、倾斜的三次元运动,再把这个运动传递给筛面。调节上、下两端的相位角,可以改变物料在筛面上的运动轨迹。应用范围:食品行业、医药行业、化工行业、金属、冶金矿业、其它行业等。
Baidu
ag8九游会j9