股票代码
836946

选择区域/语言 在线留言3D展厅VR全景 欢迎进入j9·九游会游戏网站官网!

j9·九游会游戏网站

专注筛分行业40+年超10000+客户的选择

全国咨询热线: 400-0373-685 / 0373-5701115

齿辊破碎机
  • 电机振动给料机
电机振动给料机

应用范围: 矿山行业、冶金行业、煤炭行业、火电行业、耐火行业、玻璃行业、建材行业、轻工行业、化工行业、机械行业、粮食行业等

物  料: 煤炭、矿石等

全国热线

400-0373-685

产品优势

电机振动给料机

● 体积小,重量轻,结构简单,安装方便,维修少,费用低。

● 利用特制振动电机自同步原理,工作稳定,起动迅速,停车平衡。

● 物料按抛物线轨迹连续向前跳跃运动,因此给料槽磨损较小。

● 由于可以瞬时的改变和启闭料流,所以给料量有较高的精度。

产品介绍

ZG系列电机振动给料机是一种渐趋标准化的通用给料设备,广泛用于相关行业对各种块状及颗粒状粉状物料的短距离输送。该机能很好地与皮带机等连续输送设备、自动称配及定量包装等系统实现联机和自动化作业,是冶金、矿山、煤炭、建材、化工、电力及粮食加工等行业选用的较理想的给料和输送设备。

产品特点

ZG系列电机振动给料机与各种电磁振动给料机、往复给料机相比,具有结构简单紧凑、坚固耐用及给料连续均匀、料槽磨损小、使用寿命长与维修方便等特点,该机根据现场作业环境要求有敞开型和封闭型两种结构形式,电机可分别布置在上部、下部或侧面,形成三种不同的振源安装位置形式。

根据用户和现场作业需要,该机可使用座式或吊挂式安装及决定是否配置调控闸门、作业平台等接口设施。

技术参数

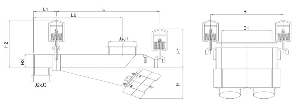
  • 外形尺寸(封闭型)

    外形尺寸(封闭型)

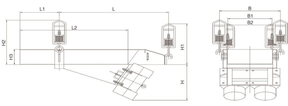
  • 外形尺寸(敞开型)

    外形尺寸(敞开型)

外形尺寸(封闭型)

型号 L(mm) L1(mm) L2(mm) B(mm) B1(mm) H(mm) H1(mm) H2(mm) H3(mm) J×J1(mm) J2×J3(mm)
ZGF-25 780 260 720 466 340 386 450 300 200 200×340 200×340
ZGF-50 1183 205 1000 700 500 470 610 400 220 220×500 220×500
ZGF-100 1160 260 1000 920 700 590 800 530 256 250×700 250×700
ZGF-150 1350 350 1200 970 750 600 800 530 250 250×750 250×750
ZGF-200 1350 350 1200 1020 800 670 800 470 258 250×800 250×800
ZGF-250 1465 392 1400 1152 920 660 650 400 250 250×920 250×920
ZGF-300 1486 422 1400 1018 900 660 1000 750 250 300×900 300×900
ZGF-400 1553 400 1500 1072 950 680 1200 780 310 300×950 300×950
ZGF-750 1900 400 1500 2030 1500 980 1400 900 400 400×1500 400×1500

外形尺寸(敞开型)

型号 L(mm) L1(mm) L2(mm) B(mm) B1(mm) B2(mm) H(mm) H1(mm) H2(mm) H3(mm)
ZG-25 935 200 820 466 340 338 386 340 440 150
ZG-50 1000 220 1015 700 500 506 470 400 706 206
ZG-100 1160 260 1150 920 700 706 590 480 480 250
ZG-150 1350 350 1335 970 750 750 600 600 680 250
ZG-200 1268 350 1335 832 800 784 670 700 700 250
ZG-250 1465 392 1540 1152 920 1052 660 400 400 250
ZG-300 1465 392 1540 1018 900 1052 660 400 400 250
ZG-400 1553 400 1680 1072 950 934 680 1068 1068 300
ZG-750 1900 750 2300 2030 1500 1500 980 1000 1000 400


型 号 大入料粒度(mm) 处理量(t/h) 振动电机型号 功率( kW ) 振频(Hz) 双振幅(mm) 激振力(kN) 重量(kg) 单点动载荷 (N)
封闭 敞开 封闭 敞开
ZG/F-25 80 25 YZO-2.5-4 0.18×2 25 4~6 2.5×2 220 200 165 160
ZG/F-50 120 50 YZO-5-6 0.4×2 16 5~8 5×2 336 290 800 786
ZG/F-100 170 100 YZO-10-4 0.55×2 25 4~6 10×2 500 450 480 475
ZG/F-150 180 150 YZO-15-6 1.1×2 16 5~8 15×2 605 553 1440 1320
ZG/F-200 200 200 YZO-20-4 1.1×2 25 4~6 20×2 720 667 840 810
ZG/F-250 210 250 YZO-20-6 1.5×2 16 5~8 20×2 840 782 1200 1098
ZG/F-300 220 300 YZO-20-6 1.5×2 16 5~8 20×2 910 830 1186 1123
ZG/F-400 230 400 YZO-25-6 1.8×2 16 5~8 25×2 1030 980 1800 1720
ZG/F-750 350 750 YZO-40-6 3×2 16 5~8 40×2 1645 1560 2400 2285

产品图库

客户见证

我们不仅仅服务于500强企业 ……无论您在何地,我们都提供完善的服务与支持。

热品推荐 / Hot product

供料系统

供料系统

该系统完成从面粉至和面机的自动供粉工艺,实现源头的可视化,确保整体项目的自动化作业。无尘投料,环境粉尘浓度低,在线筛分,自动转运、动耗低,管道内“0”残留。
面粉无尘供料系统

面粉无尘供料系统

专用于原料接收、在线筛分、多点供料的系统化解决方案;适用于需要自动化生产、真正解决环保、安全问题的食品加工企业。
AG九游j9登陆网址

AG九游j9登陆网址

应用行业:BS49系列防爆旋振筛广泛应用于食品、药品、化工、磨料陶瓷、金属粉末、电池材料、造纸、冶金等行业,粉末、颗粒、粘液等物料。防爆要点:BS49系列防爆旋振筛是一种筛分设备,进出料口均应连接封闭的容器,容器防护等级不低于IP6*,使得物料不会逸散到外界。本设备所使用的非金属部件,其表面电阻不超过≤109Ω。
旋振筛

旋振筛

工作原理:旋振筛由立式振动电机作激振源,振动电机上、下两端安装有偏心重锤,将振动电机的旋转运动转变为水平、垂直、倾斜的三次元运动,再把这个运动传递给筛面。调节上、下两端的相位角,可以改变物料在筛面上的运动轨迹。应用范围:食品行业、医药行业、化工行业、金属、冶金矿业、其它行业等。
Baidu
ag8九游会j9