j9·九游会游戏网站

电机&筛网
  • YZO振动电机
YZO振动电机

适用设备:振动筛分设备、振动输送机、振动给料机、振动放矿机、振动干燥设备、振动落砂机、振实台、料仓振动防闭塞装置等各种振动机械设备理想的动力源和激振源。

产品用途及使用范围
产品用途及使用范围

YZO系列振动电机产品广泛用于冶金、矿山、煤炭、化工、 电力、建材、铸造、磨料、陶瓷、玻璃、粮食、食品、医药、轻工等行业,是振动筛分设备、振动输送机、振动给料机、振动放矿机、振动干燥设备、振动落砂机、振实台、料仓振动防闭塞装置等各种振动机械设备理想的动力源和激振源。
海拔高度不超过1000米,环境温度不超过40宅,相对湿度不超过90%(温度不超过25它时),否则应降低功率使用;主机激振功率和运行电流不超过铭牌数值,否则应降低激振力使用。

应用范围:振动筛分设备、振动输送机、振动给料机、振动放矿机、振动干燥设备、振动落砂机、振实台、料仓振动防闭塞装置等各种振动机械设备理想的动力源和激振源。

结构及工作原理

振动电机由特制电机外加激振重块组成。当电机通电旋转时,激振块产生激 振力,通过电机底脚或法兰盘传递纵横振动机械。
特制电机由特制定子线包和转子轴组成,能承受高频振动;立式振动电机,采用两块偏心块作为激振块,两轴端各—块,上轴端为固定偏心块,下轴端为可调偏心块。在上下偏心块的端部各装有一组配重块,通过调节配重块的数量,可以分级调节振动电机的激振力;卧式振动电机采用四块扇形偏心块作激振块,调节同轴端两块偏心块的夹角,可以从零至大调节振动电机的激振力。

技术参数

技术参数

技术参数

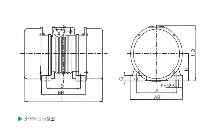
规格型号 额定激振力(kN) 额定功率(kW) 电流(A) 转速(r.p.m) 安装尺寸(mm) 外形尺寸(mm) 重量(kg)
A B K G AB BB H L HD
YZO-0.7-2 0.7 0.075 0.25 2930 180 126 11 25 220 152 80 293 200 16
YZO-1.5-2 1.5 0.15 0.45 180 126 11 25 220 152 80 293 200 18
YZO-2.5-2 2.5 0.25 0.8 180 140 13 32 220 170 80 307 200 22
YZO-5-2 5 0.4 1.25 220 175 15 30 272 210 90 370 220 36
YZO-8-2 8 0.75 2 235 180 19 25 315 250 140 477 295 56
YZO-8-2a 8 0.75 2 255 180 19 25 315 250 140 477 295 56
YZO-16-2 16 1.5 4.5 270 224 21 35 352 305 170 525 355 95
YZO-1.2-4 1.2 0.12 0.4 1460 180 126 11 25 220 152 80 285 200 17
YZO-2.5-4 2.5 0.18 0.5 180 140 13 25 220 170 80 310 200 26
YZO-5-4 5 0.25 0.65 220 175 15 30 272 210 90 430 210 42
YZO-8-4 8 0.4 1.3 235 180 19 25 315 250 140 472 295 60
YZO-10-4 10 0.55 1.5 235 180 19 25 315 250 140 477 295 69
YZO-16-4 16 0.75 2.3 270 224 21 35 352 305 170 527 355 106
YZO-16-4a 16 0.75 2.3 280 224 21 35 352 305 170 527 355 106
YZO-20-4 20 1.1 2.7 270 224 21 35 352 305 170 527 355 120
YZO-32-4 32 1.5 5.3 340 230 31 40 445 310 200 575 425 155
YZO-32-4a 32 1.5 5.3 340 230 31 40 445 310 200 575 425 155
YZO-50-4 50 2.2 6.5 390 195 33 43 480 343 220 575 480 215
YZO-2.5-6 2.5 0.25 0.8 960 220 146 13 30 270 180 90 340 216 35
YZO-3-6 3 0.25 0.9 220 175 15 30 272 210 90 430 210 45
YZO-5-6 5 0.4 1.25 220 175 15 35 270 210 120 430 245 45
YZO-10-6 10 0.75 2.3 235 180 19 25 315 250 140 493 295 78
YZO-10-6a 10 0.75 2.3 255 180 19 25 315 250 140 493 295 78
YZO-15-6 15 1.1 3 235 180 19 25 315 250 140 530 295 89
YZO-20-6 20 1.5 4.6 270 224 21 35 352 305 170 530 355 133
YZO-20-6a 20 1.5 4.6 290 224 21 35 352 305 170 530 355 133
YZO-25-6 25 1.8 5 270 224 21 35 352 305 170 550 355 140
YZO-30-6 30 2.2 6.5 350 180 31 40 445 310 200 530 425 196
YZO-40-6 40 3 8 350 180 31 40 445 310 200 580 425 204
YZO-50-6 50 3.7 9.6 390 195 33 43 480 343 220 575 480 250
YZO-50-6a 50 3.7 9.6 390 222 33 43 480 343 220 575 480 250
YZO-75-6 75 5.5 14.6 440 248 36 48 520 400 220 726 500 380
热品推荐 / Hot product
ag8九游会登入
ag8九游会登入
斜纹编织密纹网
Baidu
ag8九游会j9