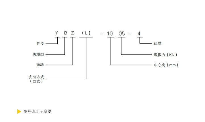
YBZ系列粉尘防爆型三项异步振动电机能在特定的危险环境中安全运行。电机外壳防护等级为IP55/IP65,绝缘等级为F级,防爆标志为Ex d IIB T4 Gb/Ex tD A21 IP65 T130℃。
Ⅰ类电气设备用于煤矿瓦斯气体环境。
Ⅱ类电气设备用于除煤矿瓦斯气体之外的其他爆炸性气体环境。
Ⅱ类电气设备的再分类: ⅡA类:代表性气体是丙烷; ⅡB类:代表性气体是乙烯; ⅡC类:代表性气体是氢气。
Ⅲ类电气设备用于除煤矿以外的爆炸性粉尘环境。
Ⅲ类电器设备按照其拟使用的爆炸性粉尘环境的特性方可进一步在分类。
Ⅲ类电气设备的再分类: Ⅲ类A类:可燃性飞絮; Ⅲ类B类:非导电性粉尘; Ⅲ类C类:导电性粉尘。
标志为ⅡB的设备可适用于ⅡA设备使用条件, 标志ⅡC的设备可适用于ⅡA、ⅡB设备的使用条件。
YBZ粉尘防爆3C认证
YBZ气体防爆3C认证
YBZ隔爆3C认证
YBZ隔爆3C认证
YBZ系列防爆三相异步振动电机能在特定的危险环境中安全运行。电机外壳防护等级为IP55/IP65,绝缘等级为F级,防爆标志为Ex d IIB T4 Gb/Ex tD A21 IP65 T130℃。分别适用于工厂ⅡB级T4组别可燃性气体或蒸气与空气形成的爆炸性混合物的场所和存在有可燃性粉尘的A类21区域。作为激 振源,该机在激振力调节范围内可无级调节激振力的大小,产品畅销全国,远销欧亚、中东地区。
该系列电机采用先进技术设计,使用材料制造,具有外形美观、性能优良、维护方便、运行可靠等优点。是粉状、粒状、块状物料机械化输送、给料、破碎、筛分、填充、振实、造型、落砂、料仓防闭塞等振动机械激振源。该机品种丰富,规格齐全,能满足各类振动机械的工作需要。
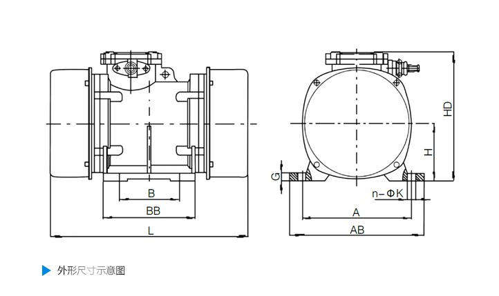
规格型号 | 额定激振力(kN) | 额定功率(kW) | 转速(r.p.m) | 安装尺寸(mm) | 外形尺寸(mm) | 重量(kg) | ||||||||
A | B | n | K | G | AB | BB | H | HD | L | |||||
YBZ-1005-2 | 5 | 0.37 | 3000 | 180 | 110 | 4 | 13 | 14 | 215 | 165 | 100 | 250 | 402 | 43 |
YBZ-1010-2 | 10 | 0.75 | 180 | 110 | 13 | 14 | 215 | 165 | 100 | 250 | 402 | 46 | ||
YBZ-1215-2 | 15 | 1.1 | 220 | 140 | 19 | 22 | 280 | 220 | 120 | 291 | 477 | 70 | ||
YBZ-1420-2 | 20 | 1.5 | 260 | 150 | 19 | 22 | 320 | 260 | 140 | 320.5 | 498 | 103 | ||
YBZ-1630-2 | 30 | 2.2 | 310 | 170 | 25 | 24 | 380 | 300 | 160 | 359 | 550 | 147 | ||
YBZ-1640-2 | 40 | 3 | 310 | 170 | 25 | 24 | 380 | 300 | 160 | 359 | 550 | 150 | ||
YBZ-1005-4 | 5 | 0.25 | 1500 | 180 | 110 | 13 | 14 | 215 | 165 | 100 | 250 | 458 | 46 | |
YBZ-1208-4 | 8 | 0.37 | 220 | 140 | 19 | 22 | 280 | 220 | 120 | 291 | 477 | 72 | ||
YBZ-1210-4 | 10 | 0.55 | 220 | 140 | 19 | 22 | 280 | 220 | 120 | 291 | 477 | 73 | ||
YBZ-1415-4 | 15 | 0.75 | 260 | 150 | 19 | 22 | 320 | 260 | 140 | 320.5 | 528 | 103 | ||
YBZ-1420-4 | 20 | 1.1 | 260 | 150 | 19 | 22 | 320 | 260 | 140 | 320.5 | 528 | 106 | ||
YBZ-1630-4 | 30 | 1.5 | 310 | 170 | 25 | 24 | 380 | 300 | 160 | 359 | 600 | 150 | ||
YBZ-1950-4 | 50 | 2.2 | 350 | 220 | 31 | 35 | 430 | 335 | 190 | 413 | 658 | 230 | ||
YBZ-1002-6 | 2 | 0.2 | 1000 | 180 | 110 | 13 | 14 | 215 | 165 | 100 | 250 | 458 | 45 | |
YBZ-1003-6 | 3 | 0.25 | 180 | 110 | 13 | 14 | 215 | 165 | 100 | 250 | 458 | 48 | ||
YBZ-1205-6 | 5 | 0.37 | 22 | 140 | 19 | 22 | 280 | 220 | 120 | 291 | 487 | 75 | ||
YBZ-1208-6 | 8 | 0.55 | 220 | 140 | 19 | 22 | 280 | 220 | 120 | 291 | 529 | 84 | ||
YBZ-1410-6 | 10 | 0.75 | 260 | 150 | 19 | 22 | 320 | 260 | 140 | 320.5 | 528 | 109 | ||
YBZ-1615-6 | 15 | 1.1 | 310 | 170 | 25 | 24 | 380 | 300 | 160 | 359 | 600 | 155 | ||
YBZ-1620-6 | 20 | 1.5 | 310 | 170 | 25 | 24 | 380 | 300 | 60 | 359 | 600 | 167 | ||
YBZ-1930-6 | 30 | 2.2 | 350 | 220 | 31 | 35 | 430 | 335 | 190 | 413 | 658 | 233 | ||
YBZ-1940-6 | 40 | 3 | 350 | 220 | 31 | 35 | 430 | 335 | 190 | 413 | 658 | 242 | ||
YBZ-1915-8 | 15 | 1.1 | 750 | 350 | 220 | 31 | 35 | 430 | 335 | 190 | 413 | 658 | 230 | |
YBZ-1920-8 | 20 | 1.5 | 350 | 220 | 31 | 35 | 430 | 335 | 190 | 413 | 658 | 250 |